Willkommen bei Schnyder + Minder AG | Ihr Partner für Präzision | Votre team pour la précision

KPKHR2525M-5

175,00 CHF*

Sofort verfügbar, Lieferzeit: Ab Lager Lieferant 2-3 Tage

Bestelltext
Produktnummer: THP06862
Hersteller: KYOCERA UNIMERCO
Produktinformationen "KPKHR2525M-5"

KPK Serie


Einzigartiges Design für überlegene Leistung beim Abstechen.

Die KPK-Serie bietet neue Wendeschneidplatten-, Schwerter- und Werkzeugblockdesigns für ein stabiles und sicheres Abstechen


Vorteile 

  • Durch den einfachen Austausch der WSP werden Ausfallzeiten reduziert  
  • Hohe Leistung, lange Standzeit und stabile Bearbeitung mit starkem Spannmechanismus
Eigenschaften 

  • Einfacher Austausch der Wendeschneidplatte
  • Hervorragende WSP-Befestigung sorgt für zusätzliche Sicherheit
  • Einzigartiger Spanbrecher für lange Standzeit und stabile Bearbeitung  
  • Der stabile Werkzeughalterblock verhindert Rattern und verfügt über einen internen Kühlmittelfluss

passende Stechplatte 
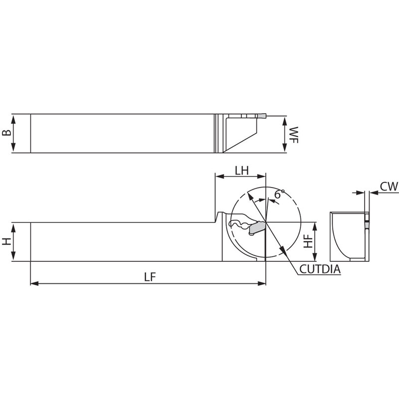
Breite: 25
Höhe: 25
Stechbreite: 4.80-5.00
max. Stechtiefe: 79.00
Schneidstoff: Stahl
Gesamtlänge: 150
Schneidrichtung: R
ID: 2525
Typ: KPK