Willkommen bei Schnyder + Minder AG | Ihr Partner für Präzision | Votre team pour la précision

MEC063R-11-8T-M

561,00 CHF*

Sofort verfügbar, Lieferzeit: Ab Lager Lieferant 2-3 Tage

Bestelltext
Produktnummer: THN03406
Hersteller: KYOCERA UNIMERCO
Produktinformationen "MEC063R-11-8T-M"
MEC - Fräser mit positiven Wendeschneidplatten

Die MEC Serie überzeugt mit scharfem Schnitt bei geringen Schnittkräften. Dank der idealen Werkzeuggeometrie, sind perfekte 90° Ecken und glatte Oberflächen möglich. Ausführungen mit gekerbten Wendeschneidplatten verringern Schnittkräfte und reduzieren Rattern bei Bearbeitungen mit hohen Vorschüben.

Vorteile:
  • Hoher Vorschub durch geringe Schnittkräfte
  • Perfekte Oberflächengüte
  • Perfekte 90° Ecken auch nach mehreren Durchgängen
  • Lange und zuverlässige Standzeiten, dank MEGACOAT Beschichtung


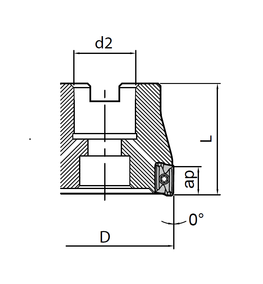
max. Zustelltiefe: 10.00
Schneidendurchmesser: 63.00
Schneidstoff: Stahl
Anzahl Schneiden: 8
Gesamtlänge: 22
Innenkühlung: mit Innenkühlung
Spanndurchmesser: 22.00
Schafttyp: Aufsteck
ID: 63
Typ: MEC

Zubehör

SB-2555TRG
TPC01862
3,80 CHF*
DTM-8
TPC00781
13,70 CHF*