Willkommen bei Schnyder + Minder AG | Ihr Partner für Präzision | Votre team pour la précision

Masch.-Gewindebohrer TG 100 T SL M10x1

76,00 CHF*

Auf Anfrage

Bestelltext
Produktnummer: 80831-010.005
Hersteller: HARTNER GmbH
Produktinformationen "Masch.-Gewindebohrer TG 100 T SL M10x1"
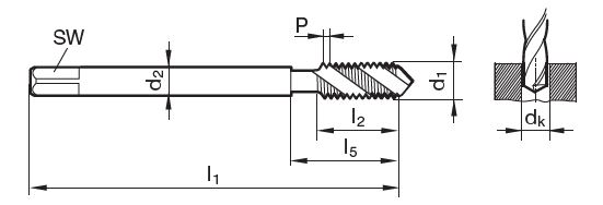
Gewindebohrer für Metrische ISO-Feingewinde TG100T • für Sackloch • HSS-E • TiAln + WC/C Beschichtet • DIN374 • 6HX
Einsatzgebiete: Guss, Inox, Nichteisenmetalle, Sonderlegierungen, Stahl
Schneidendurchmesser: M10x1
Schneidstoff: HSS-E
Gewindesteigung / Anzahl Gänge: 14
Norm: DIN 374
Schneidenlänge: 11.00
Gesamtlänge: 90
Spanndurchmesser: 7.00
Schafttyp: Cyl
Toleranz: 6HX
Beschichtung: TiAlN
Schneidrichtung: R
ID: M10x1
Form: C
Geometrie: Sackloch
Kernloch: 9
Sorte: 80831
Typ: TG 100 T
Vierkant: 5.5