Willkommen bei Schnyder + Minder AG | Ihr Partner für Präzision | Votre team pour la précision

Masch.-Gewindebohrer TG 100 T SL M24x1.5

234,00 CHF*

Auf Anfrage

Bestelltext
Produktnummer: 80831-024.007
Hersteller: HARTNER GmbH
Produktinformationen "Masch.-Gewindebohrer TG 100 T SL M24x1.5"
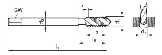
Gewindebohrer für Metrische ISO-Feingewinde TG100T • für Sackloch • HSS-E • TiAln + WC/C Beschichtet • DIN374 • 6HX
Einsatzgebiete: Guss, Inox, Nichteisenmetalle, Sonderlegierungen, Stahl
Schneidendurchmesser: M24x1.5
Schneidstoff: HSS-E
Gewindesteigung / Anzahl Gänge: 28
Norm: DIN 374
Schneidenlänge: 16.00
Gesamtlänge: 140
Spanndurchmesser: 18.00
Schafttyp: Cyl
Toleranz: 6HX
Beschichtung: TiAlN
Schneidrichtung: R
ID: M24x1.5
Form: C
Geometrie: Sackloch
Kernloch: 22.5
Sorte: 80831
Typ: TG 100 T
Vierkant: 14.5