Willkommen bei Schnyder + Minder AG | Ihr Partner für Präzision | Votre team pour la précision

Masch.-Gewindebohrer TG 100 T SL UNF 1/2 - 20

77,00 CHF*

Auf Anfrage

Bestelltext
Produktnummer: 80833-012.700
Hersteller: HARTNER GmbH
Produktinformationen "Masch.-Gewindebohrer TG 100 T SL UNF 1/2 - 20"
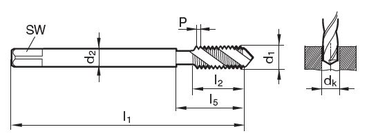
Gewindebohrer für UNF-Gewinde TG100T • für Sackloch • HSS-E • TiAlN + WC/C Beschichtet • DIN374 • 2B
Einsatzgebiete: Guss, Inox, Nichteisenmetalle, Sonderlegierungen, Stahl
Schneidendurchmesser: UNF1/2-20
Schneidstoff: HSS-E
Gewindesteigung / Anzahl Gänge: 20
Norm: DIN 374
Schneidenlänge: 13.00
Gesamtlänge: 100
Spanndurchmesser: 9.00
Schafttyp: Cyl
Toleranz: 2B
Beschichtung: TiAlN
Schneidrichtung: R
ID: UNF1/2-20
Form: C
Geometrie: Sackloch
Kernloch: 11.5
Sorte: 80833
Typ: TG 100 T
Vierkant: 7