Willkommen bei Schnyder + Minder AG | Ihr Partner für Präzision | Votre team pour la précision

Masch.-Gewindebohrer TG 100 T SL UNF 3/8 - 24

66,00 CHF*

Auf Anfrage

Bestelltext
Produktnummer: 80833-009.525
Hersteller: HARTNER GmbH
Produktinformationen "Masch.-Gewindebohrer TG 100 T SL UNF 3/8 - 24"
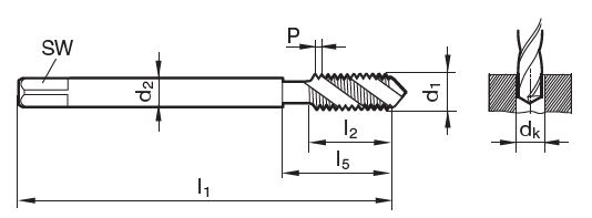
Gewindebohrer für UNF-Gewinde TG100T • für Sackloch • HSS-E • TiAlN + WC/C Beschichtet • DIN374 • 2B
Einsatzgebiete: Guss, Inox, Nichteisenmetalle, Sonderlegierungen, Stahl
Schneidendurchmesser: UNF3/8-24
Schneidstoff: HSS-E
Gewindesteigung / Anzahl Gänge: 24
Norm: DIN 374
Schneidenlänge: 11.50
Gesamtlänge: 90
Spanndurchmesser: 7.00
Schafttyp: Cyl
Toleranz: 2B
Beschichtung: TiAlN
Schneidrichtung: R
ID: UNF3/8-24
Form: C
Geometrie: Sackloch
Kernloch: 8.5
Sorte: 80833
Typ: TG 100 T
Vierkant: 5.5