Willkommen bei Schnyder + Minder AG | Ihr Partner für Präzision | Votre team pour la précision

Masch.-Gewindebohrer TG 100 T SL UNF 7/8 - 14

176,00 CHF*

Auf Anfrage

Bestelltext
Produktnummer: 80833-022.225
Hersteller: HARTNER GmbH
Produktinformationen "Masch.-Gewindebohrer TG 100 T SL UNF 7/8 - 14"
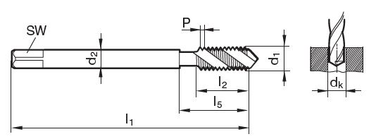
Gewindebohrer für UNF-Gewinde TG100T • für Sackloch • HSS-E • TiAlN + WC/C Beschichtet • DIN374 • 2B
Einsatzgebiete: Guss, Inox, Nichteisenmetalle, Sonderlegierungen, Stahl
Schneidendurchmesser: UNF7/8-14
Schneidstoff: HSS-E
Gewindesteigung / Anzahl Gänge: 14
Norm: DIN 374
Schneidenlänge: 19.00
Gesamtlänge: 125
Spanndurchmesser: 18.00
Schafttyp: Cyl
Toleranz: 2B
Beschichtung: TiAlN
Schneidrichtung: R
ID: UNF7/8-14
Form: C
Geometrie: Sackloch
Kernloch: 20.4
Sorte: 80833
Typ: TG 100 T
Vierkant: 14.5