Willkommen bei Schnyder + Minder AG | Ihr Partner für Präzision | Votre team pour la précision

Masch.-Gewindebohrer TG 100 U DL M2

15,60 CHF*

Auf Anfrage

Bestelltext
Produktnummer: 80700-002.000
Hersteller: HARTNER GmbH
Produktinformationen "Masch.-Gewindebohrer TG 100 U DL M2"
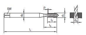
Gewindebohrer für Metrische ISO-Gewinde TG100U • für Durchgangsloch • HSS-E • Dampfbehandelt • DIN371/376 • ISO2/6H


Einsatzgebiete: Guss, Inox, Nichteisenmetalle, Stahl
Schneidendurchmesser: M2
Schneidstoff: HSS-E
Gewindesteigung / Anzahl Gänge: 0.4
Norm: DIN 371
Schneidenlänge: 8.00
Gesamtlänge: 45
Spanndurchmesser: 2.80
Schafttyp: Cyl
Toleranz: 6H
Beschichtung: dampfbehandelt
Schneidrichtung: R
ID: M2
Form: B
Geometrie: Durchgang
Kernloch: 1.6
Sorte: 80700
Typ: TG 100 U
Vierkant: 2.1