Willkommen bei Schnyder + Minder AG | Ihr Partner für Präzision | Votre team pour la précision

Masch.-Gewindebohrer TG 100 U DL M30

127,00 CHF*

Auf Anfrage

Bestelltext
Produktnummer: 80700-030.000
Hersteller: HARTNER GmbH
Produktinformationen "Masch.-Gewindebohrer TG 100 U DL M30"
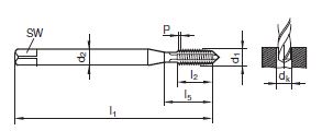
Gewindebohrer für Metrische ISO-Gewinde TG100U • für Durchgangsloch • HSS-E • Dampfbehandelt • DIN371/376 • ISO2/6H


Einsatzgebiete: Guss, Inox, Nichteisenmetalle, Stahl
Schneidendurchmesser: M30
Schneidstoff: HSS-E
Gewindesteigung / Anzahl Gänge: 3.5
Norm: DIN 376
Schneidenlänge: 40.00
Gesamtlänge: 180
Spanndurchmesser: 22.00
Schafttyp: Cyl
Toleranz: 6H
Beschichtung: dampfbehandelt
Schneidrichtung: R
ID: M30
Form: B
Geometrie: Durchgang
Kernloch: 26.5
Sorte: 80700
Typ: TG 100 U
Vierkant: 18