Willkommen bei Schnyder + Minder AG | Ihr Partner für Präzision | Votre team pour la précision

Masch.-Gewindebohrer TG 100 U SL G1/4

41,00 CHF*

Auf Anfrage

Bestelltext
Produktnummer: 80734-013.157
Hersteller: HARTNER GmbH
Produktinformationen "Masch.-Gewindebohrer TG 100 U SL G1/4"
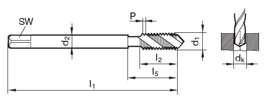
Gewindebohrer für Whitworth-Rohrgewinde TG100U • für Sackloch • HSS-E • nitriert • DIN5158
Einsatzgebiete: Guss, Inox, Nichteisenmetalle, Stahl
Schneidendurchmesser: G1/4
Schneidstoff: HSS-E
Gewindesteigung / Anzahl Gänge: 19
Norm: DIN 5156
Schneidenlänge: 14.00
Gesamtlänge: 100
Spanndurchmesser: 11.00
Schafttyp: Cyl
Beschichtung: dampfbehandelt
Schneidrichtung: R
ID: G1/4
Form: C
Geometrie: Sackloch
Kernloch: 11.8
Sorte: 80734
Typ: TG 100 U
Vierkant: 9