Willkommen bei Schnyder + Minder AG | Ihr Partner für Präzision | Votre team pour la précision

Masch.-Gewindebohrer TG 100 U SL G1/8

28,80 CHF*

Auf Anfrage

Bestelltext
Produktnummer: 80734-009.728
Hersteller: HARTNER GmbH
Produktinformationen "Masch.-Gewindebohrer TG 100 U SL G1/8"
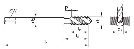
Gewindebohrer für Whitworth-Rohrgewinde TG100U • für Sackloch • HSS-E • nitriert • DIN5157
Einsatzgebiete: Guss, Inox, Nichteisenmetalle, Stahl
Schneidendurchmesser: G1/8
Schneidstoff: HSS-E
Gewindesteigung / Anzahl Gänge: 28
Norm: DIN 5156
Schneidenlänge: 11.00
Gesamtlänge: 90
Spanndurchmesser: 7.00
Schafttyp: Cyl
Beschichtung: dampfbehandelt
Schneidrichtung: R
ID: G1/8
Form: C
Geometrie: Sackloch
Kernloch: 8.8
Sorte: 80734
Typ: TG 100 U
Vierkant: 5.5