Willkommen bei Schnyder + Minder AG | Ihr Partner für Präzision | Votre team pour la précision

Masch.-Gewindebohrer TG 100 U SL G2

521,00 CHF*

Auf Anfrage

Bestelltext
Produktnummer: 80734-059.614
Hersteller: HARTNER GmbH
Produktinformationen "Masch.-Gewindebohrer TG 100 U SL G2"
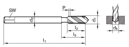
Gewindebohrer für Whitworth-Rohrgewinde TG100U • für Sackloch • HSS-E • nitriert • DIN5165
Einsatzgebiete: Guss, Inox, Nichteisenmetalle, Stahl
Schneidendurchmesser: G2
Schneidstoff: HSS-E
Gewindesteigung / Anzahl Gänge: 11
Norm: DIN 5156
Schneidenlänge: 32.00
Gesamtlänge: 220
Spanndurchmesser: 45.00
Schafttyp: Cyl
Beschichtung: dampfbehandelt
Schneidrichtung: R
ID: G2
Form: C
Geometrie: Sackloch
Kernloch: 57
Sorte: 80734
Typ: TG 100 U
Vierkant: 35