Willkommen bei Schnyder + Minder AG | Ihr Partner für Präzision | Votre team pour la précision

Masch.-Gewindebohrer TG 100 U SL G3/4

165,00 CHF*

Auf Anfrage

Bestelltext
Produktnummer: 80744-026.441
Hersteller: HARTNER GmbH
Produktinformationen "Masch.-Gewindebohrer TG 100 U SL G3/4"
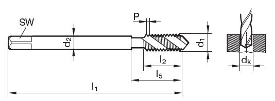
Gewindebohrer für Whitworth-Rohrgewinde TG100U • für Sackloch • HSS-E • TiN Beschichtet • DIN5173
Einsatzgebiete: Guss, Inox, Stahl
Schneidendurchmesser: G3/4
Schneidstoff: HSS-E
Gewindesteigung / Anzahl Gänge: 14
Norm: DIN 5156
Schneidenlänge: 20.00
Gesamtlänge: 140
Spanndurchmesser: 20.00
Schafttyp: Cyl
Beschichtung: TiN
Schneidrichtung: R
ID: G3/4
Form: C
Geometrie: Sackloch
Kernloch: 24.5
Sorte: 80744
Typ: TG 100 U
Vierkant: 16