Willkommen bei Schnyder + Minder AG | Ihr Partner für Präzision | Votre team pour la précision

Masch.-Gewindebohrer TG 100 U SL G3/8

59,50 CHF*

Auf Anfrage

Bestelltext
Produktnummer: 80734-016.662
Hersteller: HARTNER GmbH
Produktinformationen "Masch.-Gewindebohrer TG 100 U SL G3/8"
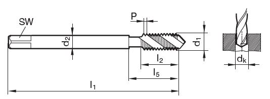
Gewindebohrer für Whitworth-Rohrgewinde TG100U • für Sackloch • HSS-E • nitriert • DIN5159
Einsatzgebiete: Guss, Inox, Nichteisenmetalle, Stahl
Schneidendurchmesser: G3/8
Schneidstoff: HSS-E
Gewindesteigung / Anzahl Gänge: 19
Norm: DIN 5156
Schneidenlänge: 14.00
Gesamtlänge: 100
Spanndurchmesser: 12.00
Schafttyp: Cyl
Beschichtung: dampfbehandelt
Schneidrichtung: R
ID: G3/8
Form: C
Geometrie: Sackloch
Kernloch: 15.25
Sorte: 80734
Typ: TG 100 U
Vierkant: 9