Willkommen bei Schnyder + Minder AG | Ihr Partner für Präzision | Votre team pour la précision

Masch.-Gewindebohrer TG 100 U SL M18x1

61,00 CHF*

Auf Anfrage

Bestelltext
Produktnummer: 80731-018.005
Hersteller: HARTNER GmbH
Produktinformationen "Masch.-Gewindebohrer TG 100 U SL M18x1"
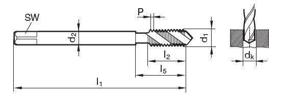
Gewindebohrer für Metrische ISO-Feingewinde TG100U • für Sackloch • HSS-E • Dampfbehandelt • DIN374 • ISO2/6H
Einsatzgebiete: Guss, Inox, Nichteisenmetalle, Stahl
Schneidendurchmesser: M18x1
Schneidstoff: HSS-E
Gewindesteigung / Anzahl Gänge: 1
Norm: DIN 374
Schneidenlänge: 12.00
Gesamtlänge: 110
Spanndurchmesser: 14.00
Schafttyp: Cyl
Toleranz: 6H
Beschichtung: dampfbehandelt
Schneidrichtung: R
ID: M18x1
Form: C
Geometrie: Sackloch
Kernloch: 17
Sorte: 80731
Typ: TG 100 U
Vierkant: 11