Willkommen bei Schnyder + Minder AG | Ihr Partner für Präzision | Votre team pour la précision

Masch.-Gewindebohrer TG 100 U SL UNF 1/2 - 20

74,00 CHF*

Auf Anfrage

Bestelltext
Produktnummer: 80743-012.700
Hersteller: HARTNER GmbH
Produktinformationen "Masch.-Gewindebohrer TG 100 U SL UNF 1/2 - 20"
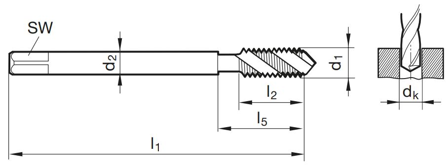
Gewindebohrer für UNF-Gewinde TG100U • für Sackloch • HSS-E • TiN Beschichtet • DIN374 • 2B
Einsatzgebiete: Guss, Inox, Stahl
Schneidendurchmesser: UNF1/2-20
Schneidstoff: HSS-E
Gewindesteigung / Anzahl Gänge: 20
Norm: DIN 374
Schneidenlänge: 13.00
Gesamtlänge: 100
Spanndurchmesser: 9.00
Schafttyp: Cyl
Toleranz: 2B
Beschichtung: TiN
Schneidrichtung: R
ID: UNF1/2-20
Form: C
Geometrie: Sackloch
Kernloch: 11.5
Sorte: 80743
Typ: TG 100 U
Vierkant: 7