Willkommen bei Schnyder + Minder AG | Ihr Partner für Präzision | Votre team pour la précision

Masch.-Gewindebohrer TG 100 U SL UNF 10 - 32

26,80 CHF*

Auf Anfrage

Bestelltext
Produktnummer: 80733-004.826
Hersteller: HARTNER GmbH
Produktinformationen "Masch.-Gewindebohrer TG 100 U SL UNF 10 - 32"
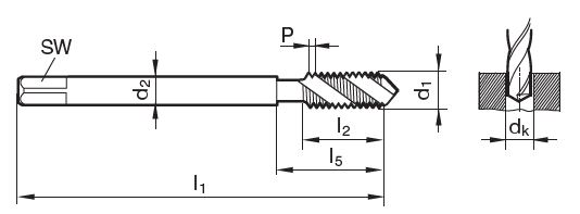
Gewindebohrer für UNF-Gewinde TG100U • für Sackloch • HSS-E • Dampfbehandelt • DIN374 • 2B
Einsatzgebiete: Guss, Inox, Nichteisenmetalle, Stahl
Schneidendurchmesser: UNF10-32
Schneidstoff: HSS-E
Gewindesteigung / Anzahl Gänge: 32
Norm: DIN 374
Schneidenlänge: 8.50
Gesamtlänge: 70
Spanndurchmesser: 3.50
Schafttyp: Cyl
Toleranz: 2B
Beschichtung: dampfbehandelt
Schneidrichtung: R
ID: UNF10-32
Form: C
Geometrie: Sackloch
Kernloch: 4.1
Sorte: 80733
Typ: TG 100 U
Vierkant: 2.7